实例一:铜富集引起的板面微裂纹
材料名称:16Mn
情况说明:
采用无镀层铜制结晶器生产的16Mn 连铸板坯,轧制成中厚板后,板面经常出现一种微裂纹,裂纹具有沿轧向变形压扁的网络状特征(图1-1) 。在裂纹部位取样,浅磨板面且抛光裂纹呈网络状分布的特征更加明显(图1-2) 。

图1-1 板面宏观裂纹形貌

图1-2 板面抛光形态下的裂纹形貌
为了弄清这种表面裂纹是在哪个工序产生的,对同一炉16Mn 钢的68 块铸坯中的10 块进行了表面修磨,另外58块不修磨,在同一种加热和轧制工艺下进行对比试验。试验结表明:58 块未修磨试样只有18块表面无裂纹,其余40块均存在不同程度的表面微裂纹;10块修磨试样表面无裂纹。说明裂纹不是加热过程中产生的,而是由铸坯带来的。
微观特征:
用金相显微镜观察板面抛光面,裂纹呈网络状分布,其内嵌有氧化铁,周围有细密的高温氧化圆点。试样经3%硝酸酒精试剂浸蚀后,裂纹附近和延伸处可观察到一种浮凸的棕黄色富集相,这种富集相有沿原奥氏体晶界分布特征,见图1-3。
图1-3 板面裂纹及富集相裂纹在纵截面表层具有沿变形最大方向压扁的网络状特征,其附近和延伸处有明显的棕黄色富集相,见图1-4。
图1-4 截面表层裂纹及富集相用电子探针对上述试样上的棕黄色富集相进行成分(质量分数,%) 分析,富集相含有铜元素,定量分析点中w (Cu) 为2. 00%~44. 26%, 而钢板正常部位分析点中却无铜元素的聚集,铜元素分布特征见图1-5和图1-6。
图1-5 板面铜元素分布形态

图1-6截面表层铜元素分布形态
分析判断:
从16Mn 钢板裂纹的微观特征以及铸坯表面修磨对比试验结果可以看出,板面微裂纹与Cu富集相相关。Cu 的来源是铜结晶器被铸坯表面磨损所致。实例二:砷富集引起的表面裂纹
材料名称:高强度船板钢
情况说明:
形状不规则,宏观特征见图1-7和图1-8。用1: 1 盐酸水溶液对原钢板表面进行酸洗后,发现板面亦有较多的微裂纹,可见拉伸试样表面的裂纹是由钢板带来的。
图1-7 板面裂纹特征之一
图1-8 板面裂纹特征之二
微观特征:
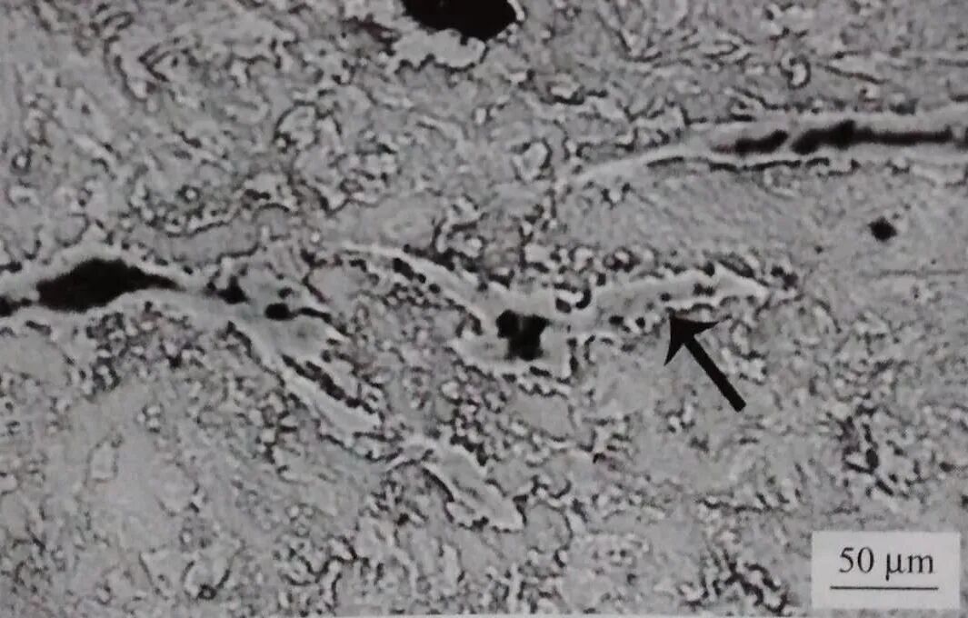
浅磨板面后观察,裂纹附近有明显的高温氧化特征。试样经硝酸酒精试剂浸蚀后,调动显微镜焦距可观察到裂纹附近有一种灰白色浮凸相(图1-9 ) 。

图1-9 板面裂纹附近浮凸相(箭头所示)
取截面试样观察,裂纹深度为1.0~1.3mm, 其附近及延伸处也有灰白色的浮凸相(图1-10 ) 。

图1-10截面冷却附近浮凸相(箭头所示)
用电子探针分析仪对金相试样上的灰白色浮凸相进行微区成分分析,浮凸相w (As) 高达7.22%。砷元素分布形态见图1-11、图1-12。而钢板正常部位w (As) =0.028%, 与正常部位相比,裂纹附近的砷明显富集。
图1-11 裂纹附近砷元素的分布形态

图1-12 裂纹延伸处砷元素分布形态
原料矿石的调查结果:
板厚20mm的 ABS 船板钢(美国标准), 在进行拉伸试验时,试样表面出现微裂纹,裂纹调查发现,烧结用硫酸渣和部分铁粉中砷含量超标。例如,随机抽查的两个硫酸渣样w(As) 分别为0.24%和0.20%, 个别供货商的铁粉中w(As) 甚至达到0.419%, 明显超过供货合同中规定的w(As) ≤0.05%的要求。
分析判断:
裂纹附近存在明显的砷富集相,说明钢板表面裂纹的形成与该富集相有关。对原料矿石的调查结果表明,矿石中的砷含量超标。砷的熔点为800℃左右,含有这类低熔点元素的钢在高温氧化气氛中加热时,由于选择性的氧化作用,在氧化铁皮下形成一层低熔点的砷富集层,这一富集层呈熔融状态沿奥氏体晶界渗透,导致晶界高温强度降低,热轧时在钢板表面产生热脆裂纹。为避免钢板表面产生热脆裂纹,要加强对铁矿石质量的检查,制定相应的验收标准。缩短钢坯在砷富集相熔融区域的加热时间,以减少这类富集相沿奥氏体晶界渗透。
实例3:磷、硫偏析引起的裂纹
材料名称:Q235B
情况说明:
板厚40mm的Q235B钢板,加工成圆形拉伸试样,在拉伸试验过程中试样表面出现小裂纹(图1-13) 。
图1-13 Q235B拉伸试样表面小裂纹
微观特征:
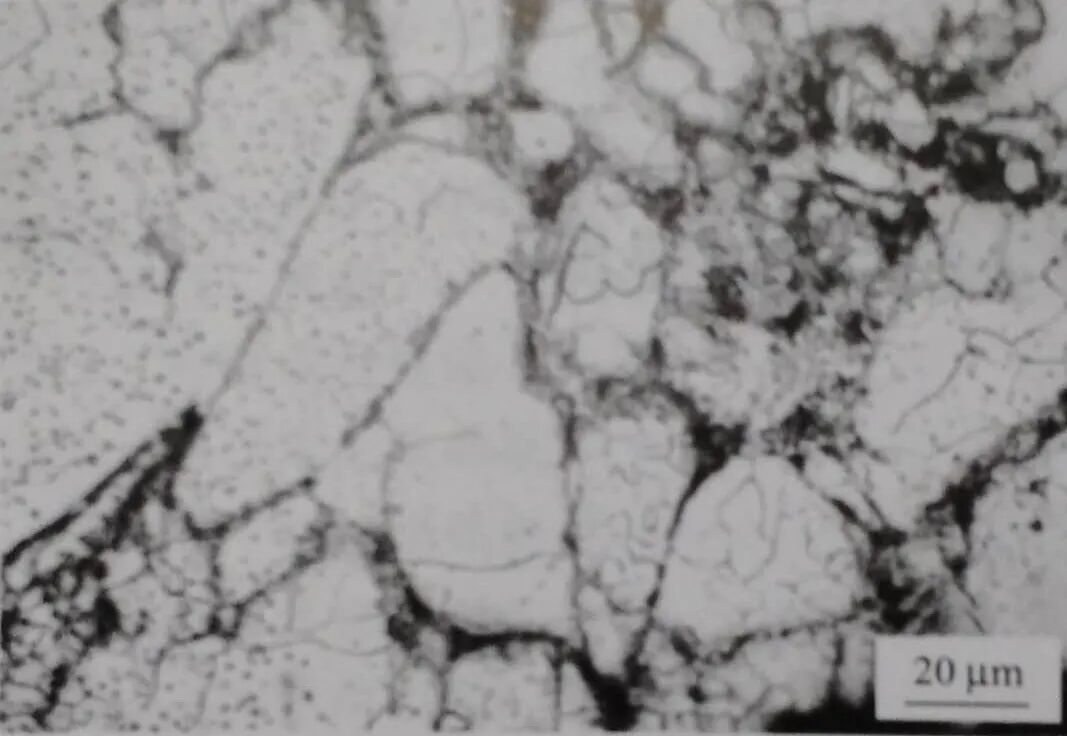
取金相试样观察,裂纹出现在铁素体偏析区,该区域存在大量聚集分布的夹杂物,见图1-14和图1-15。
图1-14 裂纹区域组织特征
图1-15 裂纹区域聚集分布的夹杂物经电子探针分析,裂纹区域夹杂物为MnS (图1-16) , 在该区域还存在磷的偏析(w (P)达0.085%) , 而正常部位无磷的偏析。
图1-16 夹杂物元素分布形态
分析判断:
由于铁素体偏析区有磷元素的偏析和聚集分布的MnS夹杂,相对于正常部位组织,其强度和延塑性低,抗变形能力差,在拉伸时,这种不协调的形变导致偏析区产生裂纹。
实例4: 稀土氧化物夹杂引起的裂纹
材料名称:DB685
情况说明:
厚度为40mm的 DB685 热轧钢板,板面出现数量较多的小裂纹(图1-17) 。
图1-17 钢板表面裂纹宏观特征
化学成分:取钢板裂纹试样作化学成分(质量分数,%) 分析,结果见表1-1。
表1-1 钢板化学成分(w/%)

微观特征:
用金相显微镜观察钢板纵截面试样,裂纹分布在试样表层,多呈树枝状沿变形最大方向扩展,裂纹处除氧化铁外,还存在大量聚集分布的灰色颗粒状夹杂物,见图1-18和图1-19。

图1-18 钢板表层树枝状裂纹及夹杂物
图1-19 聚集分布的灰色颗粒状夹杂物用电子探针背散射电子像观察,裂纹处的夹杂物呈白色颗粒,能谱仪分析结果表明,夹杂物为镧(w (La) =33. 30%) 和铈(w (Ce) =52. 03%) 的氧化物,见图1-20和图1-21。
图1-20 夹杂物背射电子图像
图1-21 夹杂物能谱分析图
分析判断:
钢板表层存在大量聚集分布的稀土(Le、Ce) 氧化物,这些夹杂物破坏了钢的连续性,导致钢板热轧时表面产生裂纹。钢中加入稀土的作用是净化钢液、夹杂物变性、微合金化等。通过结晶器喂稀土丝的方式加人。当稀土加入量相对过高及加入方式不当时,致使稀土金属富余,富余的稀土金属在高温过程中会被氧化,形成高熔点的聚集分布的稀土氧化物夹杂。
实例5: 铸坯缺陷引起的板面蛛网状裂纹
材料名称:Q345A
情况说明:
板厚为50mm的Q345A热轧板,距板边20mm处的板面出现蛛网状裂纹,裂纹宏观特征见图1-22 。
图1-22 表面蛛网状裂纹宏观特征
微观特征:
沿板厚方向取截面金相试样观察,裂纹根部粗,尾端细,由表面向内深入钢基,附近及其尾部延伸处有大量密集分布的氧化圆点,且伴有组织脱碳,见图1-23和图1-24 。
图1-23 裂纹附近氧化圆点
图1-24裂纹附近组织脱碳
实例6: 铸坯中间裂纹引起的板面横裂
材料名称:50号钢
情况说明:
一批50 号钢连铸板坯(坯厚250mm) , 轧制成厚度为85mm的钢板后,在钢板的下板面(即原铸坯的上表面)出现大量长短不一的横向裂缝,裂缝几乎布满整个板面。宏观特征见图1-25和图1-26。
图1-25 板面裂纹宏观特征
图1-26 图1-25裂纹局部放大
酸蚀检验:
取钢板纵截面低倍试样作热酸蚀检验,钢板内部有严重的裂纹。裂纹位于板面与中心之间,形状不规则,多呈曲线状,其中靠近下板面一侧的裂纹距板面较近,有的已暴露,见图1-27 。另外,从酸蚀面上还可以看到钢板枝晶较发达。
图1-27 钢板纵截面低倍缺陷特征
微观特征:
取截面金相试样进行显微观察,主裂纹附近有一些呈网络状分布的细裂纹、孔貌及 MnS 夹杂物(图1-28)。

图1-28 裂纹区域孔隙及MnS夹杂物
试样用3%硝酸酒精溶液浸蚀后,正常部位组织为珠光体和网状铁素体。与之相比,裂纹区域珠光体量多且组织粗大,裂纹和孔隙多沿原奥氏体晶界分布,见图1-29, 根据组织特征判断,裂纹区域碳含量偏高(接近0.7%) 。
图1-29 裂纹区域组织及沿晶孔隙特征
试样经磷偏析试剂(即奥勃氏试剂)浸蚀后,裂纹区域呈白亮色(图1-30) 。
图1-30 裂纹区域呈白亮色用电子提针对金相磨面上的白亮区和非白亮区进行成分(质量分数,%) 对比分析,结果列于表1-2。表中白亮区w (P) 高达0. 22%, 说明白亮区为磷的强偏析区。
表1-2 试样白亮区和非白亮区成分对比(w/%)

分析判断:
50号钢钢板下表面出现的大量横向裂纹是由内部裂纹在热轧过程中暴露所致。该裂纹位于板面与中心之间,相当于原铸坯的柱状晶区,裂纹处伴有C、P. S元素的偏析。这此特征与铸坯中间裂纹相类似,因此可判断裂纹是由铸坯带来的,且属连链板坯中同裂纹。
实例7: 过烧引起的板面网络状裂纹
材料名称:45号钢
情况说明:
板厚20mm的45 号钢热轧板,板面出现大量的网络状裂纹和裂口(图1-31) ,浅磨板面后裂纹呈网络状分布的特征更加明显,见图1-32。
图1-31 表面裂纹宏观特征
图1-32 板面抛光面网状裂纹宏观特征
微观特征:沿板厚方向取纵截面金相试样观察,裂纹内嵌有氧化铁,附近有一些氧化网络,它们在截面表层具有沿变形最大方向压扁的网络状特征,裂纹附近组织脱碳,部分区域组织呈魏氏形态,见图1-33。
图1-33 截面网状裂纹及附近组织特征由裂纹和氧化网络勾勒的晶粒轮廓判断,原奥氏体晶粒十分粗大。
分析判断:
45号钢热轧板板面裂纹及氧化网络具有沿粗大奥氏体晶界分布特征,裂纹附近组织脱碳,且出现魏氏组织。这些特征表明,板坯在加热炉高温段产生了过烧,裂纹是由过烧引起的。实例8:轧制原因引起的板面裂纹材料名称:无取向硅钢
情况说明:
无取向硅钢连铸板坯,热轧成厚度为3mm的钢板后,上、下板面各有一条带状缺陷(与轧向之间的夹角约为30°) , 条带较直,略微凸起,一侧有明显裂纹,另一侧与钢基连接,见图1-34。
图1-34 板面缺陷宏观形貌
微观特征:
垂直裂纹取横截面试样,肉眼可见裂纹沿板面斜向深入钢基,在上、下板面对称分布,裂纹较直,与板面之间的夹角约为45°, 见图1-35。
图1-35 截面裂纹宏观特征裂纹微观特征如图1-36 所示,裂纹尾端与板面近似平行,边缘规则,其内有氧化铁,附近无高温氧化特征。经试剂浸蚀后,钢板组织为铁素体,裂纹附近组织无异常,见图1-37。
图1-36 截面裂纹起始处及尾端特征
图1-37 截面裂纹附近组织特征
分析判断:
裂纹在上、下板面对称分布,边缘规则,附近无高温氧化特征,表明裂纹是在轧制过程中因轧制原因(钢板变形不均或对中不良等)形成的折叠缺陷。
实例9: 轧制原因引起的板面横裂纹
材料名称:SPHC
情况说明:
SPHC 连铸板坯、热轧成厚度为3mm的钢板后,上板面出现间隔几乎相等的周期性横向微裂纹。用过硫酸铵水溶液擦拭板面后,裂纹特征更加明显,呈曲线状分布,见图1-38。
图1-38 板面腐蚀后裂纹宏观形貌
微观特征:
裂纹在钢板纵截面表层呈双条对称分布、附近无高温氧化特征,见图1-39。
经试剂浸蚀后,试样正常部位组织为铁素体和少量三次渗碳体、晶粒度为10级,裂纹两侧的晶粒存在差异,一侧晶粒较细,晶粒度为11级:另一侧晶粒与正常部位基本相同、晶粒度为9. 5级,见图1-40。
图1-39 截面表层裂纹特征
图1-40 裂纹两侧晶粒特征
分析判断:
裂纹在板面上的分布具有周期性,在纵截面上是双条对称分布、附近无高温氧化特征,表明裂纹是在轧制过程中形成的折叠缺陷。
实例10: 板面硬化层引起的“搓板状”横裂纹
材料名称:DB685
情况说明:
在生产DB685钢板的过程中,有一块板坯在粗轧后曾因设备故障而在辊道上较长时间水冷停搁,经轧制成厚度为40mm的钢板后,该钢板上表面出现较密集的区域性横向裂纹,裂纹呈碎条状有规律地沿钢板横向分布,其长短、深浅不一,宏观形貌如“搓板状”, 见图1-41。有的裂纹开口较大,表现出沿轧向拉开、横向扩展的“分离”特征。
图1-41 板面裂纹宏观形貌
酸浸检验:
在钢板的纵截面上,磨面经酸浸蚀后,有裂纹的上表层呈现出颜色不同的三个区域,如图1-42所示。外表层颜色较浅,裂纹基本位于该区域内,多数裂纹呈单条斜向深入板厚,部分呈双条对称的“喇叭状”开口;次表层颜色较深,犹如受热影响的“过渡区”, 少数裂纹深入该区;其余部位为正常区,颜色有别于上述两区。钢板的下表层颜色与正常区域相同。
图1-42 钢板纵截面低倍形貌
微观特征:
磨制纵截面金相试样观察,裂纹较平直,多呈单条状沿表面斜向深入钢基,见图1-43。图1-42所示的外表层颜色较浅区域的显微组织为马氏体经高温回火的回火索氏体(图1-44a) 。从组织形貌上可以看出,该区原奥氏体晶粒粗大且多呈等轴状,少数晶粒有变形但变形度很小,这表明其淬火组织是由奥氏体高温区(再结晶区)相变而来;次表层颜色较深区域的组织为贝氏体与回火索氏体,原奥氏体晶粒轮廓紊乱,见图1-44b; 其余正常部位(含钢板下表层)的组织为板条贝氏体,原奥氏体晶粒形变后被压扁、伸长,明显地表现出奥氏体低温区(非再结晶区)轧制后的相变特征,见图1-44c。
图1-43 钢板截面上裂纹形貌

图1-44 钢板截面过渡层a、过渡层b、及中部c组织
分布在钢板上表层(淬硬层)内的小裂纹,其两侧的组织无明显差别,均属于原等轴奥氏体转变的马氏体回火后的组织。
某些进入钢基较深的裂纹,在裂纹的开口部位(裂口起始部位)两侧组织相同,均为上述淬火马氏体经高温回火后的组织。而裂纹延伸进入“过渡区”的部位,尤其是靠近裂纹尾部,裂纹两侧组织差别颇大。裂纹靠近上表层一侧,组织不流变(或很小流变), 而靠近钢基内部的一侧,组织明显流变,贝氏体板条沿钢基流变方向分布,见图1-45。裂纹两侧的组织差异正是不同类型的组织随裂纹形变后的结果。

图1-45 裂纹两侧组织特征
以上组织特征表明,裂纹最早在淬硬的表层形成,在其后的轧制过程中进一步向内扩展。并与板面呈一定角度倾斜。
分析判断:
一般来说,钢板生产的轧制过程,从开轧至终轧均是在奥氏体相区进行,终轧之后发生类氏体相变。DB685 钢属低碳贝氏体钢,具有较好的淬透性,终轧之后相变的组织为板条贝氏体。但上述在钢板截面上所观察到的宏、微观组织特征表明,钢板截面存在三层不同组织的区域:表层为马氏体经高温回火的索氏体组织;次表层为贝氏体与回火索氏体;其余正常部位为板条贝氏体组织。表层组织相对于其余部位组织,其强度、硬度较高,延塑性低,在随后的轧制过程中,较硬的表层比其他部位难于变形,表层组织的变形量将大大低于其他部位,这种不协调的形变导致表面拉裂,形成“搓板状”裂纹。
end
